Maintenance spare part
MICREL
MIC5801BN
DIP 22pin package
8x Latched drivers
Bipolar/MOS providing extremely low power along with wide input flexibility (CMOS, PMOS, NMOS, TTL & DTL)
Typical supply voltage 5 to 12V
Output sink capability 500mA per latch although the duty cycle must be adjusted to ensure power dissipation of the total package is not exceeded.
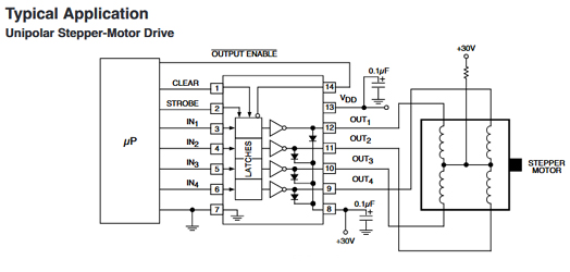
Most common applications are unipolar stepper-motor drivers and relay drivers

Full datasheets are available should these be needed, just ask when ordering
New Old Stock
Stored and supplied in sealed plastic